Technical data
| Operating pressure(Mpa) | P1.P2.A.B.C.D: 25 Y: 5 |
| Max .flow rate(L/min) | 50 |
| Oil cleanliness | NAS1638 class 9 and ISO4406 class 20/18/15 |
| Valve body(Material)Surface treatment | casting phosphating surface |

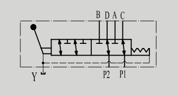
Technical data
| Operating pressure(Mpa) | P1.P2.A.B.C.D: 25 Y: 5 |
| Max .flow rate(L/min) | 50 |
| Oil cleanliness | NAS1638 class 9 and ISO4406 class 20/18/15 |
| Valve body(Material)Surface treatment | casting phosphating surface |